Sorry, your browser does not support JavaScript!
Žao nam je, ali vaš internet pregledač ne podržava JavaScript!
sortiranje po prodaji sortiranje po ceni    
Ženska odeća Muška odeća Donji veš Odeća i pribor Telefoni i telek. Kompjuteri i kancel. Potrošačka elektr. Nakit i modni dodaci Kuća i bašta Prtljag i torbe Obuća Majke i deca Sport i zabava Lepota i zdravlje Satovi Igračke i hobiji Venčanja i događ. Noviteti i pos. namene Automobili i motor. Svetla i osvetlj. Nameštaj Elektronske kompon. Kancel. i školski pribor Kuća Bezbednost i zaštita

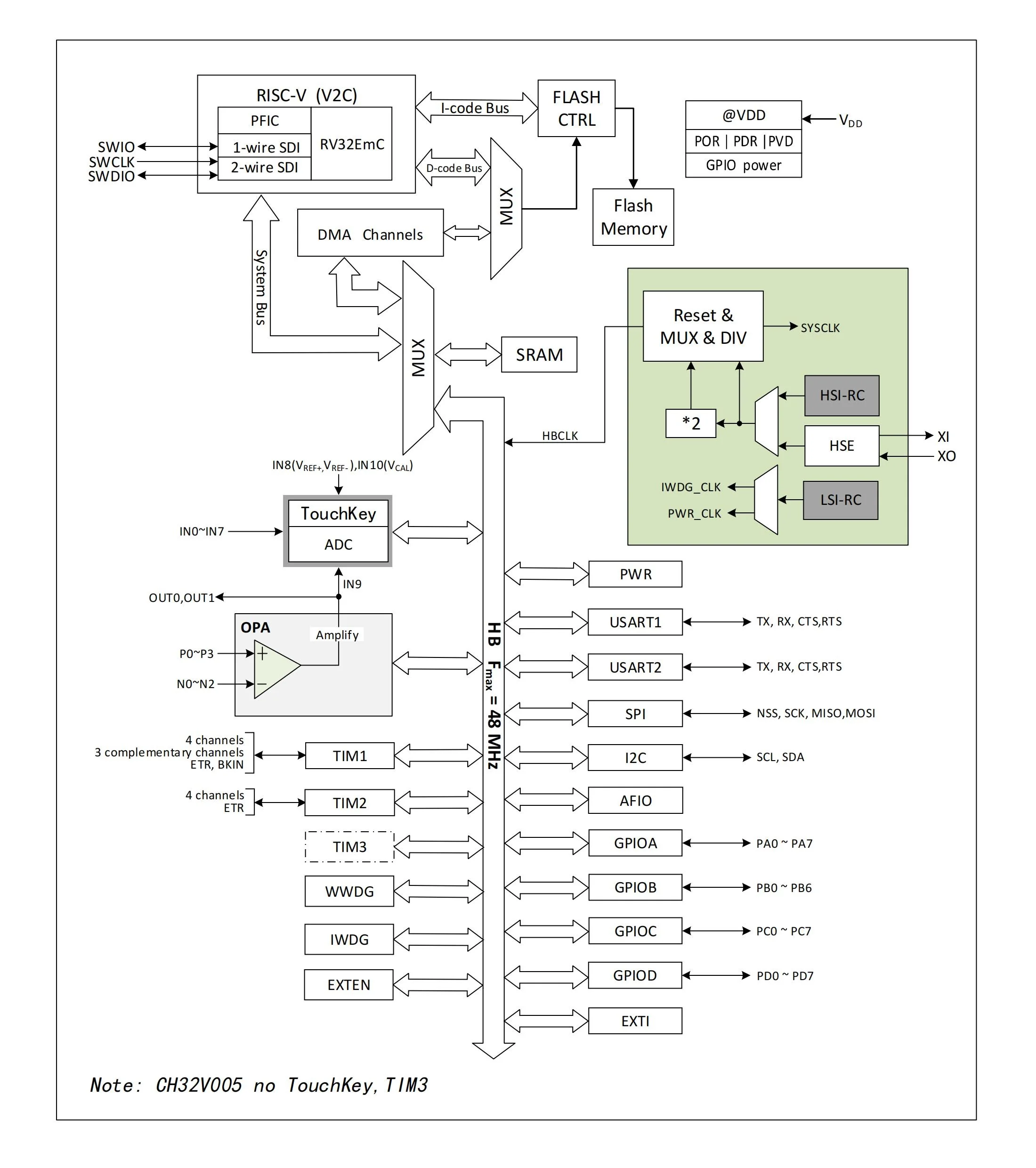
10Pcs/lot CH32V006 32V006 industrial grade 64K Flash multi-function general-urpose MCU

Prosečna ocena: 4.9
Porudžbine: 248
Cena: EUR € 2.24
Cena sa popustom: EUR € 2.06 (7% popust)
Odricanje od odgovornosti
Sajt www.1shop.cyou ne vrši prodaju robe,
već se na sajtu samo nalaze linkovi za prodaju robe na sajtu AliExpress.

aliexpress , ali , shop , ali shop , online , prodavnica , online shop , online prodavnica , kupujem , prodajem , 10Pcs/lot CH32V006 32V006 industrial grade 64K Flash multi-function general-urpose MCU
ALI shop - rezultati pretrage ... ... 10Pcs/lot CH32V006 32V006 industrial grade 64K Flash multi-function general-urpose MCU ::: 2021 ::: :::

чћшђж